Dimensions and tolerances based on EN 612
gutter bracket |
Length [mm] |
Difference to standard length [mm] |
|
Gutter bracket 250 |
335 |
||
Gutter bracket 250 (short) |
287 |
- |
48 |
gutter bracket 280 |
347 |
||
gutter bracket 280 (short) |
297 |
- |
50 |
gutter bracket 280 (long) |
445 |
+ |
98 |
Gutter bracket 333 |
383 |
||
gutter bracket 333 (short) |
312 |
- |
71 |
gutter bracket 333 (long) |
473 |
+ |
90 |
gutter bracket 400 |
452 |
box gutter bracket |
Length [mm] |
Box gutter bracket 250 |
325 |
box gutter bracket 333 |
370 |
Box gutter bracket 400 |
435 |
box gutter bracket 500 |
455 |
fascia bracket |
Length [mm] |
fascia bracket 250 |
135 |
fascia bracket 280 |
139 |
fascia bracket 333 |
154 |
fascia bracket for box gutter |
Length [mm] |
Fascia bracket for box gutter 250 |
130 |
fascia bracket for box gutter 333 |
145 |
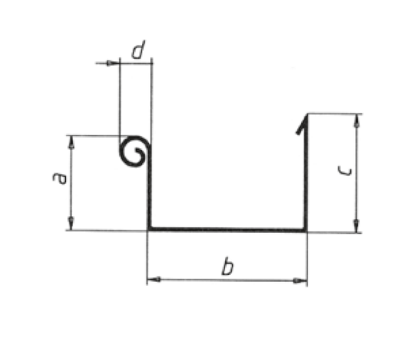
gutter dimensions |
Front a |
Back c |
Gutter e |
Bead d |
250 (8 pcs.) |
61 |
72 |
110 |
19 |
280 (7 pcs.) |
67 |
78 |
126 |
19 |
333 (6 pcs.) |
87 |
98 |
153 |
19 |
400 (5 pcs.) |
110 |
121 |
192 |
19 |
Dimensions in mm
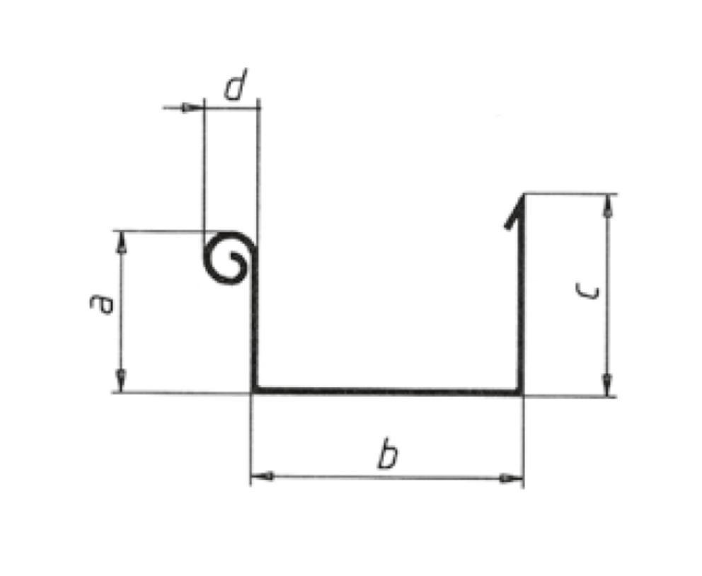
gutter dimensions |
Front a |
Back c |
Gutter e |
Bead d |
250 (8 pcs.) |
54 |
63 |
86 |
19 |
333 (6 pcs.) |
75 |
93 |
120 |
19 |
400 (5 pcs.) |
92 |
113 |
150 |
19 |
500 (4 pcs.) |
114 |
142 |
200 |
19 |
Dimensions in mm
gutter corner 90° (external) |
Length [mm] |
gutter corner 250 |
300 |
gutter corner 280 |
300 |
gutter corner 333 |
300 |
gutter corner 400 |
340 |
gutter corner 90° (internal) |
Length [mm] |
gutter corner 250 |
300 |
gutter corner 280 |
300 |
gutter corner 333 |
300 |
gutter corner 400 |
340 |
Box gutter corner 90° (external) |
Length [mm] |
box gutter corner 250 |
300 |
box gutter corner 333 |
300 |
Box gutter corner 400 |
300 |
box gutter corner 500 |
370 |
Box gutter corner 90° (internal) |
Length [mm] |
box gutter corner 250 |
300 |
Box gutter corner 333 |
300 |
Box gutter corner 400 |
300 |
box gutter corner 500 |
350 |
You can only download content from one product category. If you require content from multiple categories, please create a separate download for each product area.